公司介绍
企业文化
时事动态
直线轴承
轴系列
杆端关节轴承
铝滑块和支撑
滚珠丝杆
向心关节轴承
滚动轴承
滚轮滚针轴承
精密车件
在线订单
技术支持
^
LMUU
^
LMEUU
^
LMLUU
^
LMELUU
^
LMKUU
^
LMFUU
^
LMHUU
^
LMKLUU
^
LMFLUU
^
LMHLUU
^
SLM
^
SSW
^
轴
^
SBR-铝座轴
^
TBR-铝座轴
^
H M
^
C M
^
C F
^
PHS
^
POS
^
PHSA
^
POSA
^
PHSB
^
POSB
^
SAB
^
SQZ
^
SA..ES
^
SI..ES
^
SCS
^
SBR
^
SCV
^
TBR
^
SHA
^
SHFA
^
SFU
^
B F
^
E F
^
E K
^
F F
^
F K
^
GEES
^
GEC
^
8000系列轴承
^
LR系列、KLR系列、ZL系列、C、CR、RE系列
^
单向轴承
^
非标轴承
^
农机轴承
^
汽车空调压缩机 轴承
^
汽车轮毂轴承
^
双列深沟球轴承
^
英制滚动轴承
^
涨紧轮轴承
百 度
雅 虎
新 浪
GOOGLE
搜 狐
邮 箱
电话:+86-575-86198868
传真:+86-575-86198898
邮箱:easybearing@126.com
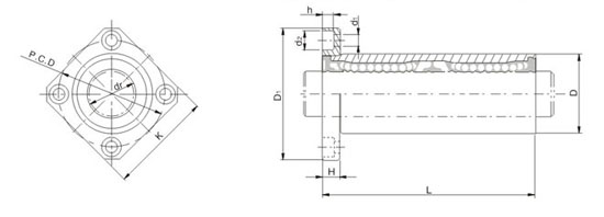
产品名称: LMKLUU
产品介绍:
轴承型号Designation
内径inscribed clecle diameter
外径outer diameter
长度Length
法兰直径Flange diameter
LMK...LUU
球列数
Ball circuit
重量
Weight(g)
dr
公差Tolerance
D
公差
Tolerance
L
公差Tolerance
D1
公差Tolerance
LMK6LUU
4
26
6
0
-0.010
12
0
-0.013
35
0
-0.3
28
0
-0.2
LMK8LUU
4
46
8
15
45
32
LMK10LUU
4
88
10
19
0
-0.016
55
40
LMK12LUU
4
82
12
21
57
42
LMK13LUU
4
108
13
23
61
43
LMK16LUU
5
160
16
28
70
48
LMK20LUU
5
230
20
0
-0.012
32
0
-0.019
80
54
LMK25LUU
6
475
25
40
112
0
-0.4
62
LMK30LUU
6
575
30
45
123
74
LMK35LUU
6
870
35
0
-0.015
52
0
-0.022
135
82
LMK40LUU
6
1380
40
60
154
96
0
-0.3
LMK50LUU
6
3300
50
0
-0.020
80
0
-0.025
192
116
LMK60LUU
6
4060
60
90
211
134
SI UNIT:1N≈0.102kgf 单位:mm
国际单位:1N≈0.102kgf Unit:mm
K
H
P.C.D
联接孔Hole for attachment d1×d2×h
法兰的角度公差Amgular Radial tolerance of flange
µm
偏心度Eccentricity
(max)
µm
径向间隙公差Radial clearance tolerance
基本承载率Basic load rating
CN
CoN
22
5
20
3.4×6.5×3.3
15
15
-5
324
529
25
5
24
3.4×6.5×3.3
15
15
-5
431
784
30
6
29
4.5×8×4.4
15
15
-5
588
1100
32
6
32
4.5×8×4.4
15
15
-5
657
1200
34
6
33
4.5×8×4.4
15
15
-7
814
1570
37
6
38
4.5×8×4.4
15
15
-7
1230
2350
42
8
43
5.5×9.5×5.4
20
20
-9
1400
2750
50
8
51
5.5×9.5×5.4
20
20
-9
1560
3140
58
10
60
6.6×11×6.5
20
20
-9
2490
5490
64
10
67
6.6×11×6.5
25
25
-13
2650
6270
75
13
78
9×14×8.6
25
25
-13
3430
8040
92
13
98
9×14×8.6
25
25
-13
6080
15900
106
18
112
11×17.5×10.8
25
25
-13
7650
20000