|
 |
|
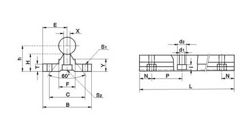
 Product Name:Block SBR-shaft Product parameters:
|
Support Designation |
Shaft Dimensions |
Dimensions(mm) |
Weight(kg/m) |
|
E |
h |
B |
H |
T |
F |
X |
Y |
C |
S1 |
S2
d1¡Ád2¡Á¦É |
|
SBR16 |
¦µ16 |
20 |
25 |
40 |
17.8 |
5 |
18.5 |
8 |
11.7 |
30 |
¦µ5.5 |
5.5¡Á9.5¡Á5.4 |
1.00 |
|
SBR20 |
¦µ20 |
22.5 |
27 |
45 |
17.7 |
5 |
19 |
8 |
10 |
30 |
¦µ5.5 |
9¡Á14¡Á8.6 |
1.07 |
|
SBR25 |
¦µ25 |
27.5 |
33 |
55 |
21 |
6 |
21.5 |
8 |
12 |
35 |
¦µ6.6 |
6.6¡Á11¡Á6.5 |
1.50 |
|
SBR30 |
¦µ30 |
30 |
37 |
60 |
22.8 |
7 |
26.5 |
10.3 |
13 |
40 |
¦µ6.6 |
6.6¡Á11¡Á6.5 |
1.90 |
|
SBR35 |
¦µ35 |
32.5 |
43 |
65 |
26.5 |
8 |
28 |
13 |
15.5 |
45 |
¦µ9 |
9¡Á14¡Á8.6 |
2.45 |
|
SBR40 |
¦µ40 |
37.5 |
48 |
75 |
29.5 |
9 |
38 |
15.5 |
17 |
55 |
¦µ9 |
9¡Á14¡Á8.6 |
3.25 |
|
SBR50 |
¦µ50 |
47.5 |
62 |
95 |
38.8 |
11 |
45 |
20 |
21 |
70 |
¦µ11 |
|
5.26 |
Guide to support the standard length and size
|
Designation |
SBR 16 |
SBR20 |
SBR25 |
SBR30 |
SBR35 |
SBR40 |
SBR50 |
|
Standard Length L |
190 |
340 |
250 |
450 |
460 |
460
660
860
1060
1260 |
470
670
870
1070
1270 |
|
340 |
640 |
450 |
850 |
660 |
|
640 |
940 |
850 |
1250 |
860 |
|
940 |
1240 |
1250 |
1450 |
1060 |
|
N |
20 |
20 |
25 |
25 |
30 |
30 |
35 |
|
P |
150 |
150 |
200 |
200 |
200 |
200 |
200 |
|
Max.Length |
1390 |
1390 |
1850 |
1850 |
1860 |
1860 |
2070 | 
|
|
|
|
|