|
 |
|
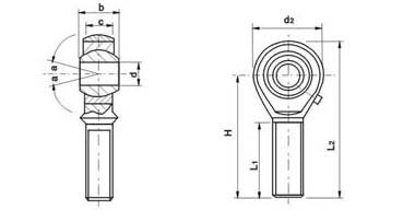
 Product Name:SI..ES Product parameters:

|
Bearings
nunber |
Dimensions£¨mm£© |
Load ratings |
a¡ã |
Weight
(kg) |
|
d |
B |
c1 |
d2 max |
d4 |
L3 |
d5 |
S |
h1 |
L5 |
L4 |
d3 |
Dynamic |
Static |
|
SI5E |
5 |
6 |
4.5 |
20 |
9 |
11 |
13 |
9 |
30 |
5 |
42 |
M5¡Á0.8 |
3.4 |
8.1 |
13 |
0.016 |
|
SI6E |
6 |
6 |
4.5 |
21 |
10 |
11 |
13 |
11 |
30 |
5 |
40.5 |
M6¡Á1 |
3.4 |
8.1 |
13 |
0.017 |
|
SI8E |
8 |
8 |
6.5 |
24 |
12.5 |
15 |
16 |
14 |
36 |
5 |
48 |
M8¡Á1.25 |
5.5 |
12.9 |
15 |
0.035 |
|
SI10E |
10 |
9 |
7.5 |
29 |
15.5 |
15 |
19 |
17 |
43 |
5.5 |
57.5 |
M10¡Á1.5 |
8.1 |
17.6 |
12 |
0.061 |
|
SI12E |
12 |
10 |
8.5 |
34 |
17.5 |
18 |
22 |
19 |
50 |
7 |
67 |
M12¡Á1.75 |
10.8 |
24.5 |
10 |
0.096 |
|
SI15ES |
15 |
12 |
10.5 |
40 |
21 |
21 |
26 |
22 |
61 |
8 |
81 |
M14¡Á2 |
17 |
36 |
8 |
0.162 |
|
SI17ES |
17 |
14 |
11.5 |
46 |
24 |
24 |
30 |
27 |
67 |
10 |
90 |
M16¡Á2 |
21 |
45 |
10 |
0.233 |
|
SI20ES |
20 |
16 |
13.5 |
53 |
27.5 |
30 |
35 |
32 |
77 |
10 |
103.5 |
M20¡Á1.5 |
30 |
60 |
9 |
0.324 |
|
SI25ES |
25 |
20 |
18 |
64 |
33.5 |
36 |
42 |
36 |
94 |
12 |
126 |
M24¡Á2 |
48 |
83 |
7 |
0.625 |
|
SI30ES |
30 |
22 |
20 |
73 |
40 |
45 |
50 |
41 |
110 |
15 |
146.5 |
M30¡Á2 |
62 |
110 |
6 |
0.976 |
|
SI35ES |
35 |
25 |
22 |
82 |
47 |
60 |
58 |
50 |
125 |
15 |
166 |
M36¡Á3 |
80 |
146 |
6 |
1.52 |
|
SI40ES |
40 |
28 |
24 |
92 |
52 |
65 |
65 |
55 |
142 |
18 |
188 |
M39¡Á3 |
100 |
180 |
7 |
2.06 |
|
SI45ES |
45 |
32 |
28 |
102 |
58 |
65 |
70 |
60 |
145 |
20 |
196 |
M42¡Á3 |
127 |
240 |
7 |
2.72 |
|
SI50ES |
50 |
35 |
31 |
112 |
62 |
67 |
75 |
65 |
160 |
20 |
216 |
M45¡Á3 |
156 |
290 |
6 |
3.57 |
|
SI60ES |
60 |
44 |
39 |
135 |
70 |
70 |
88 |
75 |
175 |
20 |
242.5 |
M52¡Á3 |
245 |
450 |
6 |
5.63 |
|
SI70ES |
70 |
49 |
43 |
160 |
80 |
80 |
98 |
85 |
200 |
20 |
280 |
M56¡Á4 |
315 |
610 |
6 |
8.33 |
|
SI80ES |
80 |
55 |
48 |
180 |
95 |
85 |
110 |
100 |
230 |
25 |
320 |
M64¡Á4 |
100 |
750 |
6 |
13.04 |
1. For Left-hand thread suffix"L" is added to bearings number and thread SIL30ES M30¡Á2L-6H 2. Othet size repers to National standard 
|
|
|
|
|