|
 |
|
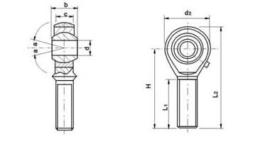
 Product Name:SA ES Product parameters:

|
Bearings
nunber |
Dimensions£¨mm£© |
Load ratings |
a¡ã |
Weight
(kg) |
|
d |
D |
B |
C1 max |
d2 mac |
L1 min |
h |
L2 max |
d3 |
Dynamic |
Static |
|
SA5E |
5 |
14 |
6 |
4.5 |
21 |
16 |
36 |
46.5 |
M5¡Á0.8 |
3.4 |
8.1 |
13 |
0.011 |
|
SA6E |
6 |
14 |
6 |
4.5 |
21 |
16 |
36 |
46.5 |
M6¡Á1 |
3.4 |
8.1 |
13 |
0.013 |
|
SA8E |
8 |
16 |
8 |
6.5 |
24 |
21 |
42 |
54 |
M8¡Á1.25 |
5.5 |
12.9 |
15 |
0.026 |
|
SA10E |
10 |
19 |
9 |
7.5 |
29 |
26 |
48 |
62.5 |
M10¡Á1.5 |
8.1 |
17.6 |
12 |
0.044 |
|
SA12E |
12 |
22 |
10 |
8.5 |
34 |
28 |
54 |
71 |
M12¡Á1.75 |
10.8 |
24.5 |
10 |
0.066 |
|
SA15ES |
15 |
26 |
12 |
10.5 |
40 |
34 |
63 |
83 |
M14¡Á2 |
17 |
36 |
8 |
0.121 |
|
SA17ES |
17 |
30 |
14 |
11.5 |
46 |
36 |
69 |
92 |
M16¡Á2 |
21 |
45 |
10 |
0.172 |
|
SA20ES |
20 |
35 |
16 |
13.5 |
53 |
43 |
78 |
104.5 |
M20¡Á1.5 |
30 |
60 |
9 |
0.283 |
|
SA25ES |
25 |
42 |
20 |
18 |
64 |
53 |
94 |
126 |
M24¡Á2 |
48 |
83 |
7 |
0.504 |
|
SA30ES |
30 |
47 |
22 |
20 |
73 |
65 |
110 |
146.5 |
M30¡Á2 |
62 |
110 |
6 |
0.835 |
|
SA35ES |
35 |
55 |
25 |
22 |
82 |
82 |
140 |
181 |
M36¡Á3 |
80 |
146 |
6 |
1.41 |
|
SA40ES |
40 |
62 |
28 |
24 |
92 |
86 |
150 |
196 |
M39¡Á3 |
100 |
180 |
7 |
1.86 |
|
SA45ES |
45 |
68 |
32 |
28 |
102 |
92 |
163 |
214 |
M42¡Á3 |
127 |
240 |
7 |
2.57 |
|
SA50ES |
50 |
75 |
35 |
31 |
112 |
104 |
185 |
241 |
M45¡Á3 |
156 |
290 |
6 |
3.58 |
|
SA60ES |
60 |
90 |
44 |
39 |
135 |
115 |
210 |
277.6 |
M52¡Á3 |
245 |
450 |
6 |
5.73 |
|
SA70ES |
70 |
105 |
49 |
43 |
160 |
125 |
235 |
315 |
M56¡Á4 |
315 |
610 |
6 |
7.94 |
|
SA80ES |
80 |
120 |
55 |
48 |
180 |
140 |
270 |
360 |
M64¡Á4 |
400 |
750 |
6 |
12.06 |
1. If the L-screw, bearing type to be marked "L" and "left." For example: SAL35ES M36¡Á3 left-6g 2. Othet size repers to National standard

|
|
|
|
|