|
 |
|
 Product Name:SAB Product parameters:

|
Bearings
nunber |
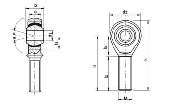
Dimensions£¨mm£© |
a¡ã |
Max stat
Load capacity |
Weight
(kg) |
|
M |
d1 |
d2 |
b1 |
b2 |
l1 |
l2 |
l3 |
l4 |
|
SAB6F/K |
M6¡Á1 |
6 |
20 |
6 |
4 |
36 |
22 |
11 |
46 |
8 |
10.00 |
0.014 |
|
SAB8F/K |
M8¡Á1.25 |
8 |
23 |
8 |
5 |
42 |
25 |
12 |
53.5 |
8 |
16.00 |
0.027 |
|
SAB10F/K |
M10¡Á1.5 |
10 |
28 |
9 |
6 |
48 |
29 |
13 |
62 |
8 |
23.60 |
0.046 |
|
SAB12F/K |
M12¡Á1.75 |
12 |
32 |
10 |
7 |
54 |
33 |
15 |
70 |
8 |
31.00 |
0.073 |
|
SAB15F/K |
M14¡Á2 |
15 |
38 |
12 |
9 |
60 |
36 |
18 |
79 |
8 |
49.00 |
0.118 |
|
SAB17F/K |
M16¡Á2 |
17 |
44 |
14 |
10 |
66 |
40 |
20 |
88 |
8 |
61.00 |
0.180 |
|
SAB20F/K |
M20¡Á1.5 |
20 |
51 |
16 |
12 |
78 |
47 |
23 |
103.5 |
8 |
86.50 |
0.29 |
|
SAB25F/K |
M24¡Á2 |
25 |
62 |
20 |
16 |
94 |
57 |
30 |
125 |
8 |
140.00 |
0.56 |
|
SAB30F/K |
M30¡Á2 |
30 |
70 |
22 |
18 |
110 |
66 |
32 |
145 |
8 |
183.00 |
0.89 |
|
SAB35F/K |
M36¡Á3 |
35 |
82 |
25 |
20 |
130 |
82 |
38 |
171 |
8 |
236.00 |
1.34 |
1.If the L-screw, bearing type needed to be marked"L"and "left."For example:SABL8F/KM8¡Á1.25 left-6g
2.T=TO line SF1 materiad on the surface of spherical plain 
|
|
|
|
|