|
 |
|
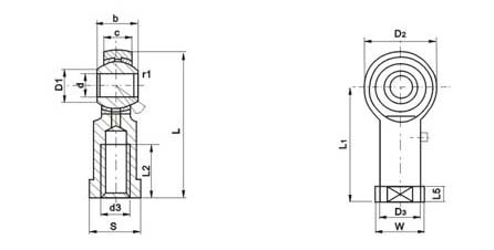
 Product Name:PHSB Product parameters:

|
Bearings
nunber |
Dimensions(mm) |
a° |
Sphericai
diameter (mm) |
Ratings
static load |
|
d |
Thereads
(ks) |
d2 |
C1 |
B |
d1 |
L4 |
L5 |
H1 |
L2 |
S |
d5 |
d4 |
r1 |
|
PHSB3 |
3/16 |
3/16×32 |
0.6692
17 |
0.2362
6 |
0.3150
8 |
0.3031
7.7 |
1.378
35 |
0.1575
4 |
1.0433
26.5 |
0.5512
14 |
0.3543
9 |
0.4331
11 |
0.3543
9 |
0.0197
0.5 |
13 |
0.4375
11.1125 |
380 |
|
PHSB4 |
1/4 |
1/4×28 |
0.7283
18.5 |
0.2657
6.75 |
0.3543
9 |
0.3543
9 |
1.5433
39.2 |
0.1969
5 |
1.1811
30 |
0.5512
14 |
0.4331
11 |
0.5118
13 |
0.3937
10 |
0.0197
0.5 |
13 |
0.5000
12.70 |
500 |
|
PHSB5 |
5/16 |
5/16×24 |
0.9055
23 |
0.3543
9 |
0.4724
12 |
0.4094
10.4 |
1.9291
49 |
0.2362
6 |
1.4763
37.5 |
0.6693
17 |
0.5512
14 |
0.6299
16 |
0.4921
12.5 |
0.0197
0.5 |
13 |
0.6250
15.875 |
700 |
|
PHSB6 |
3/8 |
3/8×24 |
1.0629
27 |
0.4133
10.5 |
0.5512
14 |
0.5078
12.9 |
2.3031
58.5 |
0.3149
8 |
1.7716
45 |
0.8268
21 |
0.6693
17 |
0.7480
19 |
0.5906
15 |
0.0197
0.5 |
13 |
0.7500
19.05 |
1100 |
|
PHSB8 |
1/2 |
1/2×20 |
1.2204
31 |
0.4724
12 |
0.6299
16 |
0.6220
15.8 |
2.6377
67 |
0.2953
7.5 |
2.0275
51.5 |
0.9449
24 |
0.7480
19 |
0.8661
22 |
0.1898
17.5 |
0.0197
0.5 |
13 |
0.8858
22.525 |
1700 |
|
PHSB10 |
5/8 |
5/8×18 |
1.4960
38 |
0.5906
15 |
0.8268
21 |
0.7598
19.3 |
3.3267
84.5 |
0.3740
9.5 |
2.5787
65.5 |
1.2992
33 |
0.9448
24 |
1.0630
27 |
0.8661
22 |
0.0197
0.5 |
13 |
1.1220
28.5 |
2550 |
|
PHSB12 |
3/4 |
3/4×16 |
1.8110
46 |
0.7086
18 |
0.9843
25 |
0.9409
23.8 |
3.9736
101 |
0.4330
11 |
3.0708
78 |
1.5748
40 |
1.1811
30 |
1.3385
34 |
1.0826
27.5 |
0.0197
0.5 |
13 |
1.3582
34.5 |
3500 |
|
PHSB14 |
7/8 |
7/8×14 |
2.0472
52 |
0.7847
20 |
1.1024
28 |
1.0157
25.8 |
4.3307
110 |
0.4724
12 |
3.3070
84 |
1.6929
43 |
1.2598
32 |
1.4566
37 |
1.1811
30 |
0.0197
0.5 |
13 |
1.5000
38.10 |
4200 |
|
PHSB16 |
1 |
1×12 |
2.3622
60 |
0.8661
22 |
1.2204
31 |
1.1732
29.6 |
4.8818
124 |
0.4724
12 |
3.7007
94 |
1.9685
50 |
1.4173
36 |
1.6535
42 |
1.3188
33.5 |
0.0197
0.5 |
13 |
1.6929
43 |
5500 |
1.For Left-hand thread suffix"L"is added to bearings number and thread sign e.g.PHSB6L M3/8×24gL 2.The surface of spherical plain with a bronze line
3.To plate zine on the surface of rod body,the housing with a lubrication holer or a grease nipple 
|
|
|
|
|