|
 |
|
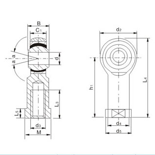
 Product Name:PHSA Product parameters:
|
Bearings
nunber |
Dimensions£¨mm£© |
a¡ã |
Max stat
Load capacity |
Weight
(kg) |
Old
designation |
|
d1 |
M |
d2 |
d5 |
S |
b1 |
b2 |
L5 |
l1 |
l2 |
d4 |
L4 |
|
PHSA6 |
6 |
M6¡Á1 |
20 |
13 |
11 |
9 |
6.75 |
5 |
30 |
14 |
10 |
40 |
13 |
7.20 |
0.027 |
SI6T/K |
|
PHSA8 |
8 |
M8¡Á1.25 |
24 |
16 |
14 |
12 |
9 |
5 |
36 |
17 |
12.5 |
48 |
13 |
11.60 |
0.046 |
SI8T/K |
|
PHSA10 |
10 |
M10¡Á1.5 |
28 |
19 |
16 |
14 |
10.5 |
6 |
43 |
21 |
15 |
57 |
13 |
14.50 |
0.076 |
SI10T/K |
|
PHSA12 |
12 |
M12¡Á1.75 |
32 |
22 |
19 |
16 |
12 |
6 |
50 |
24 |
17.5 |
66 |
13 |
17.00 |
0.115 |
SI12T/K |
|
PHSA14 |
14 |
M14¡Á2 |
36 |
25 |
22 |
19 |
13.5 |
8 |
57 |
27 |
20 |
74.25 |
13 |
24.00 |
0.170 |
SI14T/K |
|
PHSA16 |
16 |
M16¡Á2 |
40 |
27 |
22 |
21 |
15 |
8 |
64 |
33 |
21 |
84 |
13 |
28.50 |
0.230 |
SI16T/K |
|
PHSA18 |
18 |
M18¡Á1.5 |
46 |
31 |
27 |
23 |
16.5 |
10 |
71 |
36 |
25 |
94 |
13 |
35.00 |
0.320 |
SI18T/K |
|
PHSA20 |
20 |
M20¡Á1.5 |
50 |
34 |
30 |
25 |
18 |
10 |
77 |
40 |
27.5 |
102 |
13 |
40.00 |
0.42 |
SI20T/K |
|
PHSA22 |
22 |
M22¡Á1.5 |
54 |
37 |
32 |
28 |
20 |
12 |
84 |
43 |
30 |
11 |
13 |
52.00 |
0.54 |
SI22T/K |
|
PHSA25 |
25 |
M25¡Á2 |
60 |
42 |
36 |
31 |
22 |
12 |
94 |
48 |
33.5 |
124 |
13 |
60.00 |
0.75 |
SI25T/K |
|
PHSA28 |
28 |
M28¡Á2 |
66 |
46 |
41 |
35 |
26 |
14 |
103 |
53 |
37 |
136 |
13 |
71.00 |
0.96 |
SI28T/K |
|
PHSA30 |
30 |
M30¡Á2 |
70 |
50 |
41 |
37 |
25 |
15 |
110 |
56 |
40 |
145 |
13 |
81.00 |
1.30 |
SI30T/K |
1. For Left-hand thread suffix"L"is added to bearings number and thread PHSAL8ÖÐM8¡Á1.25L-6H
2. A=TO line SF1 materiad on the surface of spherical plain 
|
|
|
|
|