
Product Name:POS
Product parameters:

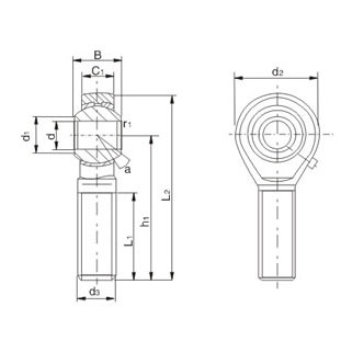
|
Bearings
nunber |
Dimensions£¨mm£© |
Rated load |
a¡ã |
Weight
(kg) |
|
d |
B |
r1 |
C1 |
d1 |
d2 |
d3 |
h1 |
L1 |
L2 |
Dynamic |
Static |
|
POS5 |
5 |
8 |
0.3 |
6 |
7.7 |
16 |
M5¡Á0.8 |
33 |
20 |
41 |
3.3 |
3.9 |
13 |
0.016 |
|
POS6 |
6 |
9 |
0.3 |
6.75 |
9 |
18 |
M6¡Á1 |
36 |
22 |
45 |
4.3 |
5.3 |
13 |
0.026 |
|
POS8 |
8 |
12 |
0.3 |
9 |
10.4 |
22 |
M8¡Á1.25 |
42 |
25 |
53 |
6.8 |
8.5 |
14 |
0.044 |
|
POS10 |
10 |
14 |
0.6 |
10.5 |
12.9 |
26 |
M10¡Á1.5 |
48 |
29 |
61 |
10 |
11 |
14 |
0.072 |
|
POS12 |
12 |
16 |
0.6 |
12 |
15.4 |
30 |
M12¡Á1.75 |
54 |
33 |
69 |
13 |
14 |
13 |
0.108 |
|
POS14 |
14 |
19 |
0.6 |
13.5 |
16.9 |
34 |
M14¡Á2 |
60 |
36 |
77 |
17 |
20 |
16 |
0.161 |
|
POS16 |
16 |
21 |
0.6 |
15 |
19.4 |
38 |
M16¡Á2 |
66 |
40 |
85 |
21 |
25 |
15 |
0.225 |
|
POS18 |
18 |
23 |
0.6 |
16.5 |
21.9 |
42 |
M18¡Á1.5 |
72 |
44 |
93 |
26 |
30 |
15 |
0.295 |
|
POS20 |
20 |
25 |
0.6 |
18 |
24.4 |
46 |
M20¡Á1.5 |
78 |
47 |
101 |
31 |
35 |
15 |
0.382 |
|
POS22 |
22 |
28 |
0.6 |
20 |
25.8 |
50 |
M22¡Á1.5 |
84 |
51 |
109 |
38 |
43 |
15 |
0.488 |
|
POS25 |
25 |
31 |
0.6 |
22 |
29.6 |
60 |
M24¡Á2 |
94 |
57 |
124 |
47 |
65 |
15 |
0.749 |
|
POS28 |
28 |
35 |
0.6 |
25 |
32.3 |
66 |
M27¡Á2 |
103 |
62 |
136 |
59 |
77 |
15 |
0.949 |
|
POS30 |
30 |
37 |
0.6 |
25 |
34.8 |
70 |
M30¡Á2 |
110 |
66 |
145 |
63 |
86 |
17 |
1.13 |
1. For Left-hand thread suffix"L"is added to bearings number and thread sign e.g. POS8 M8L-6g
2. The surface of spherical plain with a bronze line
3. To plate zine on the surface of rod body,the housing with a lubrication holer or a grease nipple
