|
 |
|
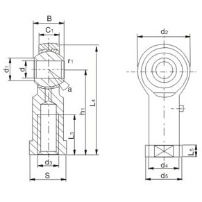
 Product Name:PHS Product parameters:
|
Bearings
nunber |
Dimensions£¨mm£© |
|
a¡ã |
Weight
(kg) |
|
C1 |
d |
B |
d2
max |
d3 |
d4 |
h1 |
L3
min |
L4
max |
L5
max |
d5
max |
S |
Dynamic |
Static |
|
PHS5 |
6 |
5 |
8 |
16 |
M5¡Á0.8 |
9 |
27 |
14 |
35 |
4 |
11 |
9 |
3.3 |
4.1 |
13 |
0.016 |
|
PHS6 |
6.75 |
6 |
9 |
18 |
M6¡Á1 |
10 |
30 |
14 |
39 |
5 |
13 |
11 |
4.3 |
5.3 |
13 |
0.026 |
|
PHS8 |
9 |
8 |
12 |
22 |
M8¡Á1.25 |
12.5 |
36 |
17 |
47 |
5 |
16 |
14 |
6.8 |
8.5 |
14 |
0.044 |
|
PHS10 |
10.5 |
10 |
14 |
26 |
M10¡Á1.5 |
15 |
43 |
21 |
56 |
6.5 |
19 |
17 |
10 |
11 |
14 |
0.072 |
|
PHS12 |
12 |
12 |
16 |
30 |
M12¡Á1.75 |
17.5 |
50 |
24 |
65 |
6.5 |
22 |
19 |
13 |
14 |
13 |
0.108 |
|
PHS14 |
13.5 |
14 |
19 |
34 |
M14¡Á2 |
20 |
57 |
27 |
74 |
8 |
25 |
22 |
17 |
20 |
16 |
0.161 |
|
PHS16 |
15 |
16 |
21 |
38 |
M16¡Á2 |
21 |
64 |
33 |
83 |
8 |
27 |
22 |
21 |
25 |
15 |
0.225 |
|
PHS18 |
16.5 |
18 |
23 |
42 |
M18¡Á1.5 |
25 |
71 |
36 |
92 |
10 |
31 |
27 |
26 |
30 |
15 |
0.295 |
|
PHS20 |
18 |
20 |
25 |
46 |
M20¡Á1.5 |
27.5 |
77 |
40 |
100 |
10 |
34 |
30 |
31 |
35 |
15 |
0.382 |
|
PHS22 |
20 |
22 |
28 |
50 |
M22¡Á1.5 |
30 |
84 |
43 |
109 |
12 |
37 |
32 |
38 |
43 |
15 |
0.488 |
|
PHS25 |
22 |
25 |
31 |
60 |
M24¡Á2 |
33.5 |
94 |
48 |
124 |
12 |
42 |
36 |
47 |
65 |
15 |
0.749 |
|
PHS28 |
25 |
28 |
35 |
66 |
M27¡Á2 |
37 |
103 |
53 |
136 |
12 |
46 |
41 |
59 |
77 |
15 |
0.949 |
|
PHS30 |
25 |
30 |
37 |
70 |
M30¡Á2 |
40 |
110 |
56 |
145 |
15 |
50 |
41 |
63 |
86 |
17 |
1.13 |
1. For Left-hand thread suffix"L"is added to bearings number and thread sign e.g. PHS8 M8L-6H
2. The surface of spherical plain with a bronze line
3. To plate zine on the surface of rod body,the housing with a lubrication holer or a grease nipple 
|
|
|
|
|