|
 |
|
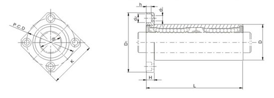
 Product Name:LMKLUU Product parameters:
|
Designation |
inscribed clecle diameter
|
outer diameter |
Length |
Flange diameter |
|
LMK...LUU |
Ball circuit |
Weight(g) |
dr |
Tolerance |
D |
Tolerance |
L |
Tolerance |
D1 |
Tolerance |
|
LMK6LUU |
4 |
26 |
6 |
0
-0.010 |
12 |
0
-0.013 |
35 |
0
-0.3 |
28 |
0
-0.2 |
|
LMK8LUU |
4 |
46 |
8 |
15 |
45 |
32 |
|
LMK10LUU |
4 |
88 |
10 |
19 |
0
-0.016 |
55 |
40 |
|
LMK12LUU |
4 |
82 |
12 |
21 |
57 |
42 |
|
LMK13LUU |
4 |
108 |
13 |
23 |
61 |
43 |
|
LMK16LUU |
5 |
160 |
16 |
28 |
70 |
48 |
|
LMK20LUU |
5 |
230 |
20 |
0
-0.012 |
32 |
0
-0.019 |
80 |
54 |
|
LMK25LUU |
6 |
475 |
25 |
40 |
112 |
0
-0.4 |
62 |
|
LMK30LUU |
6 |
575 |
30 |
45 |
123 |
74 |
|
LMK35LUU |
6 |
870 |
35 |
0
-0.015 |
52 |
0
-0.022 |
135 |
82 |
|
LMK40LUU |
6 |
1380 |
40 |
60 |
154 |
96 |
0
-0.3 |
|
LMK50LUU |
6 |
3300 |
50 |
0
-0.020 |
80 |
0
-0.025 |
192 |
116 |
|
LMK60LUU |
6 |
4060 |
60 |
90 |
211 |
134 |

SI UNIT:1N¡Ö0.102kgf units:mm
International units:1N¡Ö0.102kgf Unit:mm
|
K |
H |
P.C.D |
Hole for attachment d1¡Ád2¡Áh |
Amgular Radial tolerance of flange
µm |
Eccentricity
(max)
µm |
Radial clearance tolerance |
Basic load rating |
|
CN |
CoN |
|
22 |
5 |
20 |
3.4¡Á6.5¡Á3.3 |
15 |
15 |
-5 |
324 |
529 |
|
25 |
5 |
24 |
3.4¡Á6.5¡Á3.3 |
15 |
15 |
-5 |
431 |
784 |
|
30 |
6 |
29 |
4.5¡Á8¡Á4.4 |
15 |
15 |
-5 |
588 |
1100 |
|
32 |
6 |
32 |
4.5¡Á8¡Á4.4 |
15 |
15 |
-5 |
657 |
1200 |
|
34 |
6 |
33 |
4.5¡Á8¡Á4.4 |
15 |
15 |
-7 |
814 |
1570 |
|
37 |
6 |
38 |
4.5¡Á8¡Á4.4 |
15 |
15 |
-7 |
1230 |
2350 |
|
42 |
8 |
43 |
5.5¡Á9.5¡Á5.4 |
20 |
20 |
-9 |
1400 |
2750 |
|
50 |
8 |
51 |
5.5¡Á9.5¡Á5.4 |
20 |
20 |
-9 |
1560 |
3140 |
|
58 |
10 |
60 |
6.6¡Á11¡Á6.5 |
20 |
20 |
-9 |
2490 |
5490 |
|
64 |
10 |
67 |
6.6¡Á11¡Á6.5 |
25 |
25 |
-13 |
2650 |
6270 |
|
75 |
13 |
78 |
9¡Á14¡Á8.6 |
25 |
25 |
-13 |
3430 |
8040 |
|
92 |
13 |
98 |
9¡Á14¡Á8.6 |
25 |
25 |
-13 |
6080 |
15900 |
|
106 |
18 |
112 |
11¡Á17.5¡Á10.8 |
25 |
25 |
-13 |
7650 |
20000 | 
|
|
|
|
|