|
 |
|
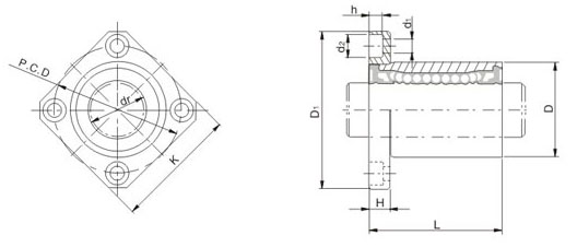
 Product Name:LMKUU Product parameters:
|
Designation |
inscribed clecle diameter
|
outer diameter
|
Length |
Flange diameter
|
|
LMK...UU |
Ball circuit |
Weight(g) |
dr |
Tolerance
|
D |
Tolerance |
L |
Tolerance |
D1 |
Tolerance |
|
LMK6UU |
4 |
18.5 |
6 |
0
-0.009 |
12 |
0
-0.011 |
19 |
0
-0.2 |
28 |
0
-0.2 |
|
LMK8SUU |
4 |
23 |
8 |
15 |
17 |
32 |
|
LMK8UU |
4 |
29 |
8 |
15 |
24 |
32 |
|
LMK10UU |
4 |
61 |
10 |
19 |
0
-0.013 |
29 |
40 |
|
LMK12UU |
4 |
56 |
12 |
21 |
30 |
42 |
|
LMK13UU |
4 |
75 |
13 |
23 |
32 |
43 |
|
LMK16UU |
5 |
104 |
16 |
28 |
37 |
48 |
|
LMK20UU |
5 |
145 |
20 |
0
-0.010 |
32 |
0
-0.016 |
42 |
54 |
|
LMK25UU |
6 |
300 |
25 |
40 |
59 |
0
-0.3 |
62 |
|
LMK30UU |
6 |
375 |
30 |
45 |
64 |
74 |
|
LMK35UU |
6 |
692 |
35 |
0
-0.012 |
52 |
0
-0.019 |
70 |
82 |
|
LMK40UU |
6 |
864 |
40 |
60 |
80 |
96 |
0
-0.3 |
|
LMK50UU |
6 |
2020 |
50 |
0
-0.015 |
80 |
0
-0.022 |
100 |
116 |
|
LMK60UU |
6 |
2520 |
60 |
90 |
110 |
134 |

SI UNIT:1N¡Ö0.102kgf Units:mm
International units:1N¡Ö0.102kgf Unit:mm
|
K |
H |
P.C.D |
Hole for attachment d1¡Ád2¡Áh |
Amgular Radial tolerance of flange
µm |
Eccentricity
(max)
µm |
Radial clearance tolerance |
Basic load rating |
|
CN |
CoN |
|
22 |
5 |
20 |
3.4¡Á6.5¡Á3.3 |
12 |
12 |
-5 |
21 |
27 |
|
25 |
5 |
24 |
3.4¡Á6.5¡Á3.3 |
12 |
12 |
-5 |
18 |
23 |
|
25 |
5 |
24 |
3.4¡Á6.5¡Á3.3 |
12 |
12 |
-5 |
27 |
41 |
|
30 |
6 |
29 |
4.5¡Á8¡Á4.4 |
12 |
12 |
-5 |
38 |
56 |
|
32 |
6 |
32 |
4.5¡Á8¡Á4.4 |
12 |
12 |
-5 |
42 |
61 |
|
34 |
6 |
33 |
4.5¡Á8¡Á4.4 |
12 |
12 |
-7 |
52 |
79 |
|
37 |
6 |
38 |
4.5¡Á8¡Á4.4 |
12 |
12 |
-7 |
79 |
120 |
|
42 |
8 |
43 |
5.5¡Á9.5¡Á5.4 |
15 |
15 |
-9 |
88 |
140 |
|
50 |
8 |
51 |
5.5¡Á9.5¡Á5.4 |
15 |
15 |
-9 |
100 |
160 |
|
58 |
10 |
60 |
6.6¡Á11¡Á6.5 |
15 |
15 |
-9 |
160 |
280 |
|
64 |
10 |
67 |
6.6¡Á11¡Á6.5 |
20 |
20 |
-13 |
170 |
320 |
|
75 |
13 |
78 |
9¡Á14¡Á8.6 |
20 |
20 |
-13 |
220 |
410 |
|
92 |
13 |
98 |
9¡Á14¡Á8.6 |
20 |
20 |
-13 |
390 |
810 |
|
106 |
18 |
112 |
11¡Á17.5¡Á10.8 |
25 |
20 |
-13 |
480 |
1020 | 
|
|
|
|
|