|
 |
|
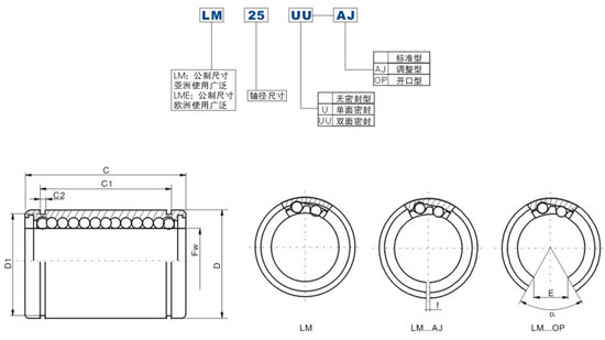
 Product Name:LMEUU Product parameters:
|
Designation |
Major dimensions and tolerance |
|
LME¡UU |
Ball circuit |
weight(gf) |
LM...AJ
|
LM...OP
|
Fw(mm) |
Tolerance (¦Ìm) |
|
Precision J |
Precision P |
|
LME4UU |
4 |
1.9 |
----- |
----- |
4 |
|
+8
0 |
|
LME5UU |
4 |
11 |
LME5-AJ |
----- |
5 |
|
LME8UU |
4 |
20 |
LME8-AJ |
----- |
8 |
|
LME10UU |
4 |
29.5 |
LME10-AJ |
LME10-OP |
10 |
|
LME12UU |
4 |
41 |
LME12-AJ |
LME12-OP |
12 |
|
LME16UU |
5 |
57 |
LME16-AJ |
LME16-OP |
16 |
|
+9
-1 |
|
LME20UU |
5 |
91 |
LME20-AJ |
LME20-OP |
20 |
|
LME25UU |
6 |
215 |
LME25-AJ |
LME25UOP |
25 |
|
+11
-1 |
|
LME30UU |
6 |
325 |
LME30-AJ |
LME30-OP |
30 |
|
LME40UU |
6 |
705 |
LME40-AJ |
LME40-OP |
40 |
|
+13
-2 |
|
LME50UU |
6 |
1130 |
LME50-AJ |
LME50-OP |
50 |
|
LME60UU |
6 |
2050 |
LME60-AJ |
LME60-OP |
60 |

|
Major dimensions and tolerance |
Basic load rating |
Old desingation
|
|
D
(mm) |
Tloerance (µm) |
C (mm) |
Tloerance (µm) |
C1 (mm) |
Tloerance (µm) |
C2
(mm) |
D1
(mm) |
F
(mm) |
E
(mm) |
¦Á |
Dynamic CN |
Static
CoN |
|
8 |
0
-8 |
12 |
0
-120 |
---- |
---- |
---- |
---- |
---- |
---- |
---- |
88 |
127 |
LBE4UU |
|
12 |
22 |
0
-200 |
14.5 |
0
-200 |
1.1 |
11.5 |
1 |
---- |
---- |
206 |
265 |
LBE5UU |
|
16 |
25 |
16.5 |
1.1 |
15.2 |
1 |
---- |
---- |
265 |
402 |
LBE8UU |
|
19 |
0
-9 |
29 |
22 |
1.3 |
18 |
1 |
6.8 |
80¡ã |
372 |
549 |
LBE10UU |
|
22 |
32 |
22.9 |
1.3 |
21 |
1.5 |
7.5 |
78¡ã |
510 |
784 |
LBE12UU |
|
26 |
36 |
24.9 |
1.3 |
24.9 |
1.5 |
10 |
78¡ã |
578 |
892 |
LBE16UU |
|
32 |
0
-11 |
45 |
31.5 |
1.6 |
30.3 |
2 |
10 |
60¡ã |
862 |
1370 |
LBE20UU |
|
40 |
58 |
0
-300 |
44.1 |
0
-300 |
1.85 |
37.5 |
2 |
12.5 |
60¡ã |
980 |
1570 |
LBE25UU |
|
47 |
68 |
52.1 |
1.85 |
44.5 |
2 |
12.5 |
50¡ã |
1570 |
2740 |
LBE30UU |
|
62 |
0
-13 |
80 |
60.6 |
2.15 |
59 |
3 |
16.8 |
50¡ã |
2160 |
4020 |
LBE40UU |
|
75 |
100 |
77.6 |
2.65 |
72 |
3 |
21 |
50¡ã |
3820 |
7940 |
LBE50UU |
|
90 |
0
-15 |
125 |
0
-400 |
101.7 |
0
-400 |
3.15 |
86.5 |
3 |
27.2 |
54¡ã |
4700 |
9800 |
LBE60UU | 
|
|
|
|
|